Fragen Sie uns!

+49 6373 500 80-0

Mo - Fr
08:00 - 17:00 Uhr

Kontaktieren Sie uns

Fragen Sie uns!

Kontaktieren Sie uns

Social Media

Übersetzung

Übersetzung via Google Translate

Kreuzrollenlager-Dünnring

Kreuzrollenlager der Reihe KRL… bestehen aus einem Außenring, einem Innenring und kreuzweise angeordneten Zylinderrollen, die durch Kunststoff-Distanzstücke voneinander getrennt sind.

Aufgrund der kreuzweise angeordneten Wälzkörper nimmt diese Lagerbauform sowohl hohe radiale als auch axiale Kräfte aus beiden Richtungen sowie Kippmomente auf. Hierdurch lassen sich konventionelle Konstruktionslösungen mit zwei Lagerstellen auf eine reduzieren.

KRL… Kreuzrollenlager, die sowohl für Anwendungen mit Innenring- als auch Außenringrotation geeignet sind, zeichnen sich besonders durch ihre kleinen Querschnitte und ihr geringes Gewicht aus, wodurch sich starre, gewichtssparende und bauraumoptimierte Konstruktionen realisieren lassen.

Ergänzend zu den hier aufgeführten Lagerausführungen bietet SBN kundenspezifische Sonderlösungen.
Sehr gerne beraten wir Sie persönlich - Sprechen Sie uns an!



Allgemein
· Toleranzklasse PN/P0
· Höhere Genauigkeitsklassen (z.B. P6, P5, P4) auf Anfrage
· Kleiner Querschnitt im Verhältnis zum Bohrungsdurchmesser
· Wahlweise vorgespannt (S1) oder mit leichtem Spiel (C1)

Innen- und Außenring
· Durchgehärteter Wälzlagerstahl mit sehr hohem Reinheitsgrad für eine längere Betriebslebensdauer

Wälzkörper
· Kreuzweise angeordnete Zylinderrollen aus durchgehärtetem Wälzlagerstahl von hoher Reinheit für einen ruhigen Lauf

Dichtungen / Deckscheiben
· In offener Ausführung und mit schleifender Dichtung (UU)

Distanzstücke
· Aus Kunststoff
· Halten die Wälzkörper in der richtigen Position und verhindern so eine Schrägstellung der Zylinderrollen
· Auch in vollrolliger Ausführung erhältlich (VR)

Schmierstoff
· Lager sind standardmäßig mit einem hochwertigen Wälzlagerfett für hohe Belastungen, extreme Drücke und eine weiten Temperaturbereich befettet


Anwendungsbeispiele
· Bearbeitungszentren
· Drehtische
· Medizintechnik
· Messtechnik
· Robotik

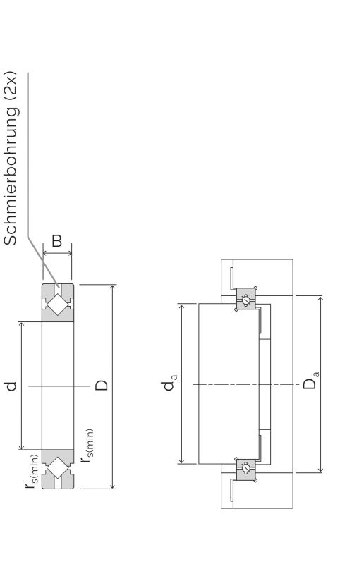
Bezeichnung
Breite/Höhe (B/H)
Breite/Höhe (B/H)
Von 5 bis 13
Bohrungsdurchmesser (d)
Bohrungsdurchmesser (d)
Von 10 bis 200
Abmessungen [mm]
Innendurchmesser [mm] d
Von 10 mm bis 200 mm
Außendurchmesser [mm] D
Von 21 mm bis 226 mm
Breite [mm] B
Von 5 mm bis 13 mm
Grenzdrehzahl [1/min]
Grenzdrehzahl [1/min] Fett
Von 350 1/min bis 4800 1/min
Grenzdrehzahl [1/min]
Von 350 1/min bis 4800 1/min
Tragzahlen [N]
Tragzahlen [N] dyn. Cr
Von 1120 N bis 25800 N
Tragzahlen [N] stat. C0r
Von 810 N bis 54500 N
Wälzlager Chromstahl, Kreuzrollenlager, Dünnring

Produkte unseres Standardportfolios

Für weitere Größen und Ausführungen sprechen Sie uns an

Kontaktieren Sie uns
Bezeichnung
Abmessungen [mm]
Anschlussmaße [mm]
Grenzdrehzahl [1/min]
Tragzahlen [N]
Gewicht [g]
d Innendurchmesser [mm]
D Außendurchmesser [mm]
B Breite [mm]
rs (min) Radius [mm]
da Anschlussmaß [mm]
Da Anschlussmaß [mm]
Fett Grenzdrehzahl [1/min]
dyn. Cr Tragzahlen [N]
stat. C0r Tragzahlen [N]
Gewicht [g]
KRL 5005
50
61
5
0.15
52.5
57
1400
2430
3490
32
KRL 15008
150
166
8
0.5
153.5
160.5
480
8820
20600
200
KRL 12008
120
136
8
0.5
123.5
130.5
590
7840
16500
170
KRL 10008
100
116
8
0.5
103.5
110.5
690
7150
13900
140
KRL 9008
90
106
8
0.5
93.5
100.5
770
6760
12400
120
KRL 9005
90
101
5
0.15
92.5
97
790
3190
6030
56
KRL 20013
200
226
13
0.8
205
219
350
25800
54500
710
KRL 19013
190
216
13
0.8
195
209
370
24900
51500
690
KRL 18013
180
206
13
0.8
185
199
390
24500
49800
680
KRL 17013
170
196
13
0.8
175
189
410
23500
46500
640
KRL 16013
160
186
13
0.8
165
179
430
23300
44900
590
KRL 14008
140
156
8
0.5
143.5
150.5
510
8330
19100
190
KRL 13008
130
146
8
0.5
133.5
140.5
540
7940
17600
180
KRL 11008
110
126
8
0.5
113.5
120.5
640
7450
15000
150
KRL 8008
80
96
8
0.5
83.5
90.5
850
6370
11300
110
KRL 7008
70
86
8
0.5
73.5
80.5
960
5980
9800
100
KRL 6008
60
76
8
0.5
63.5
70.5
1100
5680
8680
90
KRL 5008
50
66
8
0.5
53.5
60.5
1300
5100
7190
80
KRL 10005
100
111
5
0.15
102.5
107
710
3370
6630
61
KRL 8005
80
91
5
0.15
82.5
87
880
3050
5430
50
KRL 7005
70
81
5
0.15
72.5
77
1000
2810
4680
44
KRL 6005
60
71
5
0.15
62.5
67
1100
2630
4090
38
KRL 4005
40
51
5
0.15
42.5
47
1600
2140
2740
27
KRL 3005
30
41
5
0.15
32.5
37
2100
1890
2140
21
KRL 2005
20
31
5
0.15
22.5
27
2900
1490
1400
15
KRL 1505
15
26
5
0.15
17.5
22
3700
1320
1100
12
KRL 1005
10
21
5
0.15
12.5
17
4800
1120
810
9