Fragen Sie uns!

+49 6373 500 80-0

Mo - Fr
08:00 - 17:00 Uhr

Kontaktieren Sie uns

Fragen Sie uns!

Kontaktieren Sie uns

Social Media

Übersetzung

Übersetzung via Google Translate

Miniatur-Rillenkugellager - zöllig

Bei den einreihigen Miniatur-Rillenkugellagern in zölligen Abmessungen (Kugellager mit einem Bohrungsdurchmesser < 10 mm werden der Gruppe "Miniaturlager" zugeordnet) handelt es sich um eine Lagervariante, die sowohl radiale als auch axiale Kräfte aus beiden Richtungen aufnehmen kann.
Angesichts der kleinen Abmessungen ist dieser Lagertyp für sehr hohe Drehzahlen geeignet und kann aufgrund des reibungs-, geräusch- und schwingungsarmen Laufverhaltens vielseitig eingesetzt werden.

Des Weiteren sind unsere Lager auch in korrosionsbeständiger Variante verfügbar.
Entsprechende Artikelauswahl finden Sie in der Rubrik Wälzlager rostfrei.

Ergänzend zu den hier aufgeführten Lagerausführungen bietet SBN kundenspezifische Sonderlösungen.
Sehr gerne beraten wir Sie persönlich - Sprechen Sie uns an!



Allgemein
· Toleranzen nach DIN 620, Toleranzklasse PN/P0
· Höhere Genauigkeitsklassen (z.B. P6, P5) auf Anfrage
· Lagerluft MC1 bis MC6 und Sonderlagerluft möglich
· Werden auch in metrischen Abmessungen angeboten (siehe hier)

Innen- und Außenring
· Durchgehärteter Wälzlagerstahl mit sehr hohem Reinheitsgrad für eine längere Betriebslebensdauer
· Hochpräzise Laufbahnen für ein optimales Reib- und Geräuschverhalten
· Weitere Ausführungen (z.B. Beschichtungen, Carbonitrierung, Sondermaße) auf Anfrage

Wälzkörper
· Präzisionskugeln aus durchgehärtetem Wälzlagerstahl von hoher Reinheit für einen ruhigen Lauf, alternativ auch aus Keramik (stromisolierte Hybridlager)

Dichtungen / Deckscheiben
· In offener Ausführung, mit nichtschleifender Deckscheibe (2Z), mit nichtschleifender Dichtung (2RU bzw. LLB) und mit schleifender Dichtung (2RS bzw. LLU/LLUX)
· Deckscheiben werden aus Stahlblech und Dichtungen aus stahlblechverstärktem NBR hergestellt
· Anwendungsspezifische Dichtungsvarianten (z.B. FKM/Viton, PTFE/Teflon) auf Anfrage

Käfig
· Entsprechend der Anforderungen aus Stahl oder glasfaserverstärktem Kunststoff
· Weitere Käfigausführungen (z.B. PEEK, Torlon) auf Anfrage

Schmierstoff
· In befetteter und geölter Ausführung lieferbar
· Standardfett: S001 | Standardöl: S901
· Mehr als 200 Schmierstoffe für anwendungsspezifische Lösungen verfügbar


Anwendungsbeispiele
· Bestückautomaten
· Elektromotoren
· Getriebe
· Lüfter
· Medizin- und Dentaltechnik
· Messtechnik

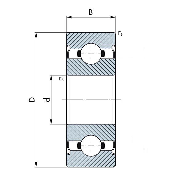
Bezeichnung
Breite/Höhe (B/H)
Breite/Höhe (B/H)
Von 1.191 bis 7.142
Bohrungsdurchmesser (d)
Bohrungsdurchmesser (d)
Von 1.016 bis 6.35
Abmessungen [mm]
Innendurchmesser [mm] d
Von 1.016 mm bis 6.35 mm
Außendurchmesser [mm] D
Von 3.175 mm bis 19.05 mm
Breite [mm] B
Von 1.191 mm bis 7.142 mm
Tragzahlen [N]
Tragzahlen [N] dyn. Cr
Von 110 N bis 2500 N
Tragzahlen [N] stat. C0r
Von 30 N bis 900 N
Grenzdrehzahl [1/min]
Grenzdrehzahl [1/min]
Von 33000 1/min bis 136000 1/min
Wälzlager Chromstahl, Miniatur-Rillenkugellager, einreihig, zöllig Wälzlager Chromstahl, Miniatur-Rillenkugellager, einreihig, zöllig Wälzlager Chromstahl, Miniatur-Rillenkugellager, einreihig, zöllig

Produkte unseres Standardportfolios

Für weitere Größen und Ausführungen sprechen Sie uns an

Kontaktieren Sie uns
Bezeichnung
Abmessungen [mm]
Grenzdrehzahl [1/min]
Tragzahlen [N]
Sonstige Filter
Gewicht [g]
d Innendurchmesser [mm]
D Außendurchmesser [mm]
B Breite [mm]
Df Flanschdurchmesser [mm]
Bf Flanschbreite [mm]
rs (min) Radius [mm]
Fett Grenzdrehzahl [1/min]
Öl Grenzdrehzahl [1/min]
dyn. Cr Tragzahlen [N]
stat. C0r Tragzahlen [N]
f0 Faktor zur Berechnung der stat. Tragzahl
Gewicht [g]
FR 09
1.016
3.175
1.191
4.343
0.33
0.1
136000
110
30
11.5
0.05
R 4 A 2RU
6.35
19.05
7.142
0.4
38000
2500
900
12.2
8.96
R 144 J
3.175
6.35
2.38
0.1
91000
330
110
13.7
0.26
R 4 2RU
6.35
15.875
4.978
0.3
42000
1570
620
13.6
4.08
R 3 2RU
4.762
12.7
4.978
0.3
51000
1390
490
12.2
2.71
R 2 2RU
3.175
9.525
3.967
0.3
63000
680
230
12.8
1.24
R 2 2RS
3.175
9.525
3.967
0.3
59000
680
230
12.8
1.3
R 4 2Z
6.35
15.875
4.978
0.3
42000
1570
620
13.6
4.19
R 4 2RS
6.35
15.875
4.978
0.3
34000
1570
620
13.6
4.1
R 166 2Z
4.762
9.525
3.175
0.1
59000
760
280
13.4
0.79
R 2-5
3.175
7.938
2.779
0.1
82000
600
190
11.9
0.54
R 09
1.016
3.175
1.191
0.1
136000
120
30
11.5
0.04
R 0 2Z
1.191
3.967
2.38
0.1
105000
120
40
13.1
0.13
R 2 A
3.175
12.7
4.366
0.3
75000
700
250
14
3.12
R 2-6 2Z
3.175
9.525
3.571
0.15
63000
680
230
12.8
1.15
R 2-6
3.175
9.525
2.779
0.15
75000
680
230
12.8
0.95
R 2
3.175
9.525
3.967
0.3
78000
680
230
12.8
1.22
R 168 2Z
6.35
9.525
3.175
0.1
55000
400
180
15.7
0.57
R 168
6.35
9.525
3.175
0.1
65000
400
180
15.7
0.52
R 166
4.762
9.525
3.175
0.1
70000
760
280
13.4
0.74
R 156
4.762
7.938
2.779
0.1
76000
390
150
15
0.4
R 155
3.967
7.938
2.779
0.1
76000
390
150
14.7
0.52
R 1-5 2Z
2.38
7.938
3.571
0.15
72000
590
180
11.4
0.81
R 1-5
2.38
7.938
2.779
0.15
85000
590
180
11.4
0.67
R 1-4 2Z
1.984
6.35
3.571
0.1
77000
300
100
13
0.5
R 1-4
1.984
6.35
2.38
0.1
91000
300
100
13
0.35
R 3 A
4.762
15.875
4.978
0.3
50000
1560
600
13.2
4.42
R 4 A 2Z
6.35
19.05
7.142
0.4
38000
2500
900
12.2
8.96
R 4 A 2RS
6.35
19.05
7.142
0.4
33000
2500
900
12.2
8.86
R 4 A
6.35
19.05
5.558
0.4
45000
2500
900
12.2
7.43
R 4
6.35
15.875
4.978
0.3
50000
1570
620
13.6
3.87
R 3 A 2Z
4.762
15.875
4.978
0.3
42000
1560
600
13.2
4.74
R 3 2Z
4.762
12.7
4.978
0.3
51000
1390
490
12.2
2.61
R 3 2RS
4.762
12.7
4.978
0.3
44000
1390
490
12.2
2.71
R 3
4.762
12.7
3.967
0.3
60000
1390
490
12.2
2.14
R 2 2Z
3.175
9.525
3.967
0.3
66000
680
230
12.8
1.29
R 188 2Z
6.35
12.7
4.762
0.15
48000
1150
440
13.7
2.03
R 188
6.35
12.7
3.175
0.15
56000
1150
440
13.7
1.47
R 156 2Z
4.762
7.938
3.175
0.1
64000
390
150
15
0.45
R 155 2Z
3.967
7.938
3.175
0.1
64000
390
150
14.7
0.59
R 144 2Z
3.175
6.35
2.779
0.1
77000
310
100
13.7
0.28
R 0
1.191
3.967
1.588
0.1
124000
120
40
13.1
0.09